一种降低选区熔化3D打印金属复杂结构表面粗糙度的方法与流程


本发明涉及一种降低选区熔化3d打印金属复杂结构表面粗糙度的方法,属于精密加工领域。
背景技术:
金属选区熔化是以高能激光束或电子束为热源,依据三维模型切片离散轮廓数据逐层选择性熔化金属粉末,逐层铺粉、逐层熔化凝固堆积制造三维实体的方法。这一方法能够准确方便实现复杂空间结构的成形及控制,突破了传统成形方法的限制,能极为方便获得传统成形方式无法制备的复杂零件,譬如微米级别的复杂深沟槽等,使得复杂模具的制造成为现实。但金属选区熔化成形过程中存在台阶效应和球化飞溅、粉末粘附等现象,严重影响成形件表面质量。而复杂结构表面尤其是复杂模具的深沟槽内表面无法进行切削或磨削等机械加工,使得金属选区熔化成形件应用受到限制。
对于深沟槽内表面等金属复杂结构而言,影响其表面粗糙度的主要因素是粉末粘附和飞溅,直观上表现为成形的深沟槽表面粘附大量的球形粉末,通常数量在每平方毫米250以上。这些粘附的球形粉末的存在,使得深沟槽表面粗糙度大大提高,rz>40μm,无法满足使用要求;这些深沟槽往往只有几百微米宽,却达数毫米乃至十余毫米深,数厘米长且形状复杂,传统机械加工方式无法进行加工。
已公开文献中,降低金属选区熔化成形件表面粗糙度一般通过喷丸抛光或液流抛光的方法。如中国**zl201610551602.5公开了3d打印零部件的后处理喷丸装置及其方法,以自动化喷射高温玻璃珠来降低3d打印零件的表面粗糙度。中国**zl201710569088.2公开了一种用于降低3d打印镍基合金工件内流道表面粗糙度的方法,将含有磷酸、硝酸、盐酸、氢氟酸、六水三氯化铁和磺基水杨酸的将抛光试剂加热至40℃-60℃后,以一定速度送入工件内流道中冲刷内流道实现抛光,降低内流道表面粗糙度。中国**申请201610589663.0公开了一种3d打印金属件表面抛光方法,通过涡轮式搅拌器旋转带动抛光效果的液体流动,冲刷作用于金属件的表面来降低金属结构件的表面粗糙度。中国**申请201910177372.4公开了一种3d打印钛合金的化学磨粒流抛光方法,使含有纯净水、甲醇、正丁醇、氢氟酸、硝酸的抛光溶液,以600l/h的流速冲刷3d打印钛合金试样表面,来降低钛合金粗糙度。这些方法使用的机械冲击力会严重破坏复杂深槽结构,也无法应用于盲孔或单向封闭的复杂深槽结构。
技术实现要素:
为解决以上问题,本发明的目的在于提供一种降低选区熔化3d打印金属复杂结构表面粗糙度的方法,该方法配置具有不同硝酸、多角形人造金刚石粉末、乙醇、纯净水配比的悬浮液,随后将打印的金属复杂结构分步骤顺序放置于不同配比、不同温度的悬浮液中,使用不同功率、不同频率的超声波,进行不同时长的超声处理,从而实现降低复杂结构内表面粗糙度的目的,具体包括以下步骤:
(1)将选区熔化3d打印金属复杂结构置于由硝酸、人造金刚石粉末、乙醇和纯净水混合所得的悬浮液中,将悬浮液加热到60~80℃,然后进行超声波超声处理60~90分钟;所述悬浮液中硝酸质量比为4%~6%,人造金刚石粉末质量比为0.1%~1%,乙醇质量比为0.1%~5%,余量为纯净水。
(2)将步骤(1)处理后的选区熔化3d打印金属复杂结构置于悬浮液中,将悬浮液加热到40~60℃,然后超声波超声处理90~120分钟;所述悬浮液中硝酸质量比为0.1%~6%,人造金刚石粉末质量比为4%~8%,乙醇质量比为0.1%~1%,余量为纯净水。
(3)将步骤(2)处理后的选区熔化3d打印金属复杂结构置于悬浮液中,将悬浮液加热到30~40℃,然后超声波超声处理15~90分钟,所述悬浮液中硝酸质量比为0.1%~1%,人造金刚石粉末质量比为0.1%~1%、乙醇质量比为50~70%,余量为纯净水,步骤(1)~(3)使用的悬浮液配比不同、反应的条件不同。
(4)取出工件吹干后即完成处理过程,实现内表面粗糙度的降低。
优选的,本发明步骤(1)~(3)中所述人造金刚石粉末的粒度为800~1000目。
优选的,本发明步骤(1)中超声处理的条件为:功率10~60w、频率20khz~40khz。
优选的,本发明步骤(2)中超声处理的条件为:功率200~400w、频率40khz~60khz。
优选的,本发明步骤(3)中超声处理的条件为:功率200~300w、频率40khz-60khz。
本发明的原理:悬浮液中的硝酸能够腐蚀金属,削弱3d打印金属复杂结构表面粘附的金属颗粒与基体的结合,以减少抛光难度;金刚石颗粒起冲击磨粒作用,乙醇用以促进金刚石颗粒分散,纯净水和乙醇一起控制悬浮液使用过程中的粘度和流动性;低频超声波促进硝酸与金属反应,增强腐蚀作用;高频超声波加强悬浮液中的金刚石粉末冲击,主要起去除粘附粉末、实现抛光的作用。为此,整个处理过程需要分阶段进行,在不同阶段需要匹配不同的悬浮液和超声处理工艺。**阶段需要强化腐蚀,第二阶段需要充分利用金刚石颗粒的冲击效应,第三阶段需要对表面进行进一步的清洗和抛光,更终实现复杂结构表面粗糙度的降低。不同的阶段,悬浮液配比、温度和超声功率、时间的匹配,需要在金属腐蚀理论、超声震动理论、磨损理论分析的基础上,通过通过大量试验才能获得更优方案。
本发明的有益效果:
(1)经本发明所述方法处理后,选区熔化3d打印复杂结构内表面粘附的金属颗粒数由每平方毫米>250下降为每平方毫米<50,表面粗糙度rz>40μm下降为rz<12μm。
(2)本发明提出的方法与现有其他方法相比,能够实现其他方法无法实现的、任意选区熔化3d打印金属复杂结构表面的处理,具有设备投资少、操作简单等特点,所配置的悬浮液可以循环使用,污染少,成本低。
附图说明
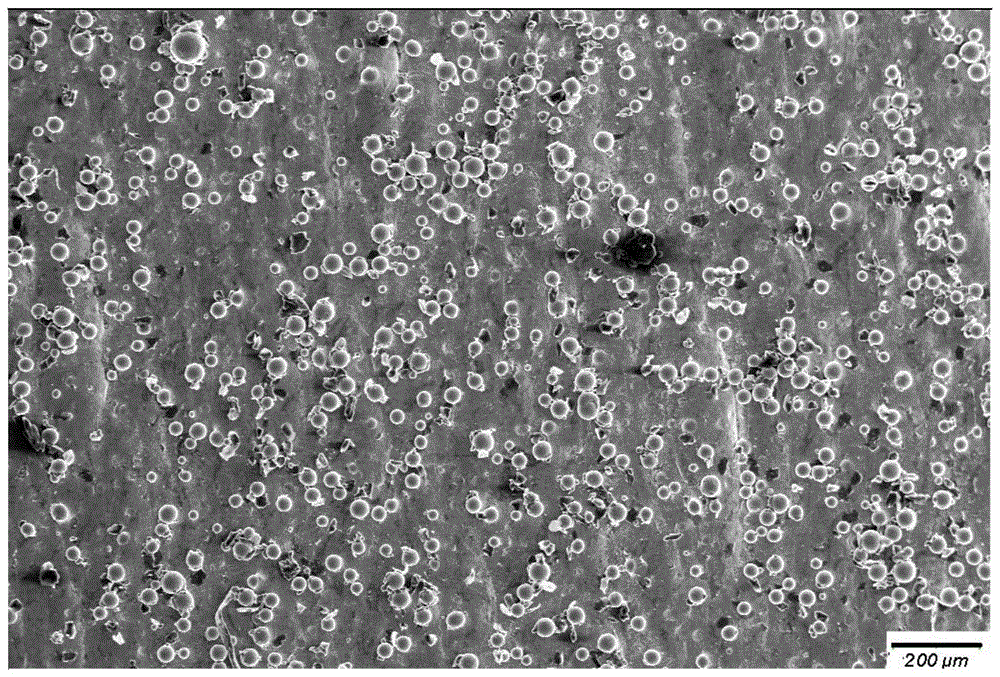
图1为处理前试样表面金属颗粒粘附情况。
图2是处理后试样表面金属颗粒粘附情况。
具体实施方式
下面结合具体实施例本发明作进一步的详细说明,但本发明的保护范围并不限于所述内容。
本发明实施例以成分为含c0.03%、含镍ni18.5%、含co9.0%、含mo4.9%的模具钢为例进行说明,其他金属材料如不锈钢、钛合金、铝合金等也可使用本发明所述方法处理。
实施例1
一种降低选区熔化3d打印模具钢复杂结构表面粗糙度的方法,具体包括以下步骤:
(1)将硝酸、多角形人造金刚石粉末、乙醇和纯净水以一定比例配置成三种悬浮液,其中:
**种悬浮液中硝酸质量比为4%,多角形人造金刚石粉末的质量比为1%,粒度为800目,乙醇质量比为0.1%,其余为纯净水。
第二种悬浮液中硝酸质量比为0.1%,多角形人造金刚石粉末的质量比为4%,粒度为1000目,乙醇质量比为0.1%,其余为纯净水。
第三种悬浮液中硝酸质量比为0.1%,多角形人造金刚石粉末的质量比为0.1%,粒度为900目,乙醇质量比为70%,其余为纯净水。
(2)将选区熔化3d打印的模具钢复杂结构置于**种悬浮液中,加热至80摄氏度,使用功率60w、频率20khz的超声波处理60分钟。
(3)将步骤(2)处理后的选区熔化3d打印的模具钢复杂结构置于第二种悬浮液中,加热至60摄氏度,使用功率400w、频率60khz的超声波处理90分钟。
(4)将步骤(3)处理后的选区熔化3d打印的模具钢复杂结构置于第三种悬浮液中,加热至40摄氏度,使用功率300w、频率60khz的超声波处理90分钟。
(5)取出工件吹干后即完成处理过程;处理处理后试样表面粘附的金属颗粒数由每平方毫米320下降为每平方毫米36,表面粗糙度由rz=56μm下降为rz=8μm。
图1和2为本实施例处理后试样表面金属颗粒粘附情况,由图可以看出经过发明所述方法处理后,试样表面金属颗粒已基本完全去除,试样粗糙度大大降低。
实施例2
一种降低选区熔化3d打印模具钢复杂结构表面粗糙度的方法,具体包括以下步骤:
(1)将硝酸、多角形人造金刚石粉末、乙醇和纯净水以一定比例配置成三种悬浮液,其中:
**种悬浮液中硝酸质量比为6%,多角形人造金刚石粉末的质量比为0.1%,粒度为1000目,乙醇质量比为5%,其余为纯净水。
第二种悬浮液中硝酸质量比为4%,多角形人造金刚石粉末的质量比为8%,粒度为800目,乙醇质量比为1%,其余为纯净水。
第三种悬浮液中硝酸质量比为1%,多角形人造金刚石粉末的质量比为1%,粒度为1000目,乙醇质量比为50%,其余为纯净水。
(2)将选区熔化3d打印的模具钢复杂结构置于**种悬浮液中,加热至60摄氏度,使用功率10w、频率40khz的超声波处理90分钟。
(3)将步骤(2)处理后的选区熔化3d打印的模具钢复杂结构置于第二种悬浮液中,加热至40摄氏度,使用功率200w、频率40khz的超声波处理120分钟。
(4)将步骤(3)处理后的选区熔化3d打印的模具钢复杂结构置于第三种悬浮液中,加热至30摄氏度,使用功率200w、频率60khz的超声波处理15分钟。
(5)取出工件吹干后即完成处理过程,处理后试样表面粘附的金属颗粒数由每平方毫米350下降为每平方毫米28,表面粗糙度由rz=63μm下降为rz=7μm。
实施例3
一种降低选区熔化3d打印模具钢复杂结构表面粗糙度的方法,具体包括以下步骤:
(1)将硝酸、多角形人造金刚石粉末、乙醇和纯净水以一定比例配置成三种悬浮液,其中
**种悬浮液中硝酸质量比为5%,多角形人造金刚石粉末的质量比为0.6%,粒度为800目,乙醇质量比为0.5%,其余为纯净水。
第二种悬浮液中硝酸质量比为6%,多角形人造金刚石粉末的质量比为6%,粒度为1000目,乙醇质量比为0.4%,其余为纯净水。
第三种悬浮液中硝酸质量比为0.5%,多角形人造金刚石粉末的质量比为0.7%,粒度为1000目,乙醇质量比为60%,其余为纯净水。
(2)将选区熔化3d打印的模具钢复杂结构置于**种悬浮液中,加热至70摄氏度,使用功率30w、频率30khz的超声波处理80分钟。
(3)将步骤(2)处理后的选区熔化3d打印的模具钢复杂结构置于第二种悬浮液中,加热至50摄氏度,使用功率300w、频率50khz的超声波处理100分钟。
(4)将步骤(3)处理后的选区熔化3d打印的模具钢复杂结构置于第三种悬浮液中,加热至35摄氏度,使用功率250w、频率50khz的超声波处理40分钟。
(5)取出工件吹干后即完成处理过程,处理后试样表面粘附的金属颗粒数由每平方毫米350下降为每平方毫米28,表面粗糙度由rz=63μm下降为rz=7μm。
对比实施例1
使用和实施例1**阶段相同的处理条件处理选区熔化3d打印的模具钢复杂结构,即仅使用硝酸质量比为4%,多角形人造金刚石粉末的质量比为1%,粒度为800目,乙醇质量比为0.1%,其余为纯净水的一种悬浮液,在加热至60摄氏度的条件下,使用功率10w、频率40khz的超声波进行处理,60、90、150、240、300、600分钟后均不能去除粉末粘附,表面粗糙度保持rz=56μm不变。由此可见在不同的阶段,需要匹配这些不同的条件,如不按照本发明公开的方法进行处理,无法实现3d打印金属复杂结构表面粗糙度的有效降低。
对比实施例2
使用和实施例2第二阶段相同的处理条件处理选区熔化3d打印的模具钢复杂结构,即仅使用硝酸质量比为4%,多角形人造金刚石粉末的质量比为8%,粒度为800目,乙醇质量比为1%,其余为纯净水的这一种悬浮液,在加热至40摄氏度的条件下,使用功率200w、频率40khz的超声波进行处理,60、90、150、240、300分钟后粗糙度保持rz=63μm不变,600分钟后表面粗糙度略有下降,为rz=59μm。这进一步证实若不按照本发明公开的方法进行处理,无法实现3d打印复杂结构金属表面的粗糙度的有效降低。以上对本发明的具体实施方式作了详细的说明,但是本发明并不限于上述实施方式,在本领域普通技术人员所具备的知识范围内,还可以在不脱离本发明宗旨的情况下做出各种变化。
原文链接:优钢网 » 一种降低选区熔化3D打印金属复杂结构表面粗糙度的方法与流程
发表评论